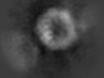
HI! in my 2D class, there are dozens of groups look like this. is there anyway to tell cryosparc that these classes are overlapped and can still be used later?
Why do you think the classes are overlapped, as opposed to this class representing particles overlapping on the micrograph?
Have you inspected these particles on the micrograph, to see what they look like?
sorry my mistake, i mean the partciles are ovelapped, which is also the same in the mics.
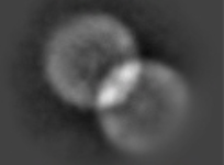
for two particles that’s pretty close (actually are overlapped), can they be used in normal procedure later? should I reduce my box size or in other ways? beacuse I used to think these gathered particles are not suitable in the process
thanks a lot!![]()
I would discard these classes, unless you have no better ones, in which case I would reprepare grids with lower protein concentration or longer blot time
actually I’m also trying to larger my box size to extract the whole “2partilces. maybe there is something intersting or maybe some subunits are leading this overlapping in the way they overlapped?
probably but i’m not sure. however classes that show overlapped are always these close or either they not overlapped just simpy seperated.


like these two, either this close or completely seperated
I would still recommend discarding these. Perhaps your ice is too thick or protein concentration too high?
neither of both
, maybe just some coincidence.
I’ll discard these overlapped particles later, thanks for your advice
